Global Informatics

- Информатика и вычислительная техника

Синтез корректирующих звеньев контура напряжения (тока)

В результате по полученной ЛАЧХ записываем передаточную функцию корректирующего звена

;

Выбор схем корректирующих звеньев и определение составляющих ее элементов.

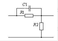
Для всех корректирующих звеньев РН выбираем одинаковую схему, поднимающую ЛАЧХ на +1, приведена на рис.8.

Рис.8. Схема корректирующего звена

Так как полученная передаточная функция не реализуется одним звеньем, то разбиваем его на три

; ; .

Выбор схемы корректирующих звеньев и определение значений входящих в нее элементов

. Рассмотрим для первого корректирующего звена с передаточной функцией

.

Звено интегродифференцирующее, постоянная времени числителя больше постоянной времени знаменателя. Выбираем схему электрическую принципиальную корректирующего звена (КЗ), описываемой такой передаточной функцией [2]. Схема КЗ приведена на рис. 9.

Введем передаточную функцию этого звена. В результате вывода получаем.Элементы схемы и параметры передаточной функции звена определяются следующими соотношениями

; ; .

Рис.9. Схема электрическая принципиальная корректирующего звена

Числовые значения коэффициента передачи и постоянных времени звена должны быть , , .

Задаемся значением входного сопротивления цепочки , которое выбирается в диапазоне 5-10 кОм, что соответствует входным и выходным сопротивлениям нагрузки, применяемым в электроприводах усилителей и преобразователей. Определяем числовое значение емкости конденсатора , мкФ

Определяем значение сопротивления :

, откуда .

В результате расчетов значения элементов корректирующей цепочки будут: , , .

Определяем коэффициент передачи корректирующего звена

.

Так как фактический коэффициент передачи полученного звена не совпадает с требуемым значением , то коэффициент передачи прямого тракта контура умножается на соответствующее значение , определяемое из условия

, откуда .

Перейти на страницу: 1 2 3

Статья в тему

Счетчики времени телефонных разговоров
В условиях грядущего введения в действие системы повременной оплаты телефонных разговоров возникает потребность следить за временем, проведенным у телефонного аппарата. Для этой цели можно применять разного рода устройства, и с разной эффективностью. Однако в общем случае применяются ...

Главные разделы


www.globalinformatics.ru © 2026 - Все права защищены!