Global Informatics

- Информатика и вычислительная техника

Подключение стационарных радиостанций к направляющим линиям

При использовании высоковольтных проводов в качестве направляющих линий предусматриваются высокочастотный обход тяговых подстанций и разъединителей, а также высокочастотная обработка силовых трансформаторов, подключенных к высоковольтным проводам. Высокочастотный обход тяговых подстанций и разъединителей обеспечивает прямой путь сигналам связи по высоковольтным проводам обоих направлений в обход электросиловых установок. Высокочастотная обработка силовых трансформаторов заключается в применении высоковольтных заградителей, включаемых последовательно в отводы, идущие от высоковольтных проводов к силовым трансформаторам. Высокочастотная обработка силовых трансформаторов, подключенных к высоковольтным проводам, предусматривается при использовании этих проводов в качестве направляющих линий и предназначается для уменьшения утечки токов высокой частоты в местах подключения трансформаторов, а также

для снижения уровня радиопомех в высоковольтных проводах, проникающих в них со стороны потребителей электроэнергии.

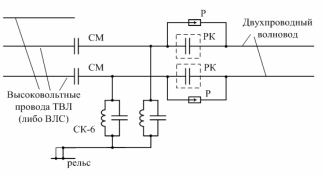
При стыковании различных типов направляющих линий присоединение по высокой частоте одно- и двухпроводных волноводов к проводам высоковольтных линий, используемых для передачи сигналов поездной радиосвязи, следует выполнять с применением линейных трансформаторов ЛТ-2, блоков РК (разделительный конденсатор) и конденсаторов СМ. Если провода ВЛ подвешены на опорах контактной сети, конденсатор СМ и контуры СК-6, заземляющие по току промышленной частоты низковольтную обкладку конденсаторов, должны устанавливаться на тех же опорах. Заземление контуров СК-6 должно выполняться на рельс. Линейный трансформатор целесообразно размещать на специально установленной опоре, защищающие трансформатор разрядники должны заземляться на отдельный заземлитель.

Если высоковольтные провода подвешены не на опорах контактной сети, все элементы схем присоединения могут устанавливаться на одной опоре и заземляться на общий контур заземления. Для сопряжения ДВ и ТВЛ используем схему по рисунку 5, аналогичная схема используется также и для сопряжения ВЛС и ДВ, однако в ней целесообразно заменить высоковольтные конденсаторы СМ более дешевыми разделительными конденсаторами РК.

Рисунок 5. Схема сопряжения ДВ и ТВЛ

Сопряжение ДВ и ОВ производится с помощью устройства по рисунку 6.

Рисунок 6. Схема сопряжений ДВ и ОВ

Передача высокочастотной энергии от передатчика стационарной радиостанции в направляющие линии возможна индуктивным способом и непосредственным подключением через согласующее устройство и разделительный конденсатор (конденсатор подключения). Последний способ разрешается применять только на участках дорог с электрической тягой на переменном токе при использовании волноводного провода в качестве направляющего. В остальных случаях можно использовать только индуктивный способ.

При индуктивном способе возбуждение направляющих проводов токами высокой частотой осуществляется с помощью возбуждающих проводов длиной 35 м (λ/4, при λ =140м), подвешиваемых параллельно направляющим проводам на расстоянии:

0,5 м от волноводного провода;

0,8 м от провода ВЛ 6/10 кВ;

1 м от проводов ДПР.

При использовании высоковольтных проводов следует применять противофазное возбуждение, обеспечивающее меньшее затухание электромагнитной энергии при распространении ее по проводам вдоль перегона.

Если высоковольтные провода (рисунок 7) 1 и 4 находятся на противоположных сторонах пути, то противофазное возбуждение осуществляется двумя однопроводными возбуждающими линиями 2 и 5, каждая из которых возбуждает соответствующий высоковольтный провод. Для обеспечения противофазности возбуждения один из соединительных кабелей 3 должен быть длиннее другого 6 на отрезок, равный половине длины волны в кабеле.

Рисунок 7. Схема возбуждения при противофазном возбуждении проводов ДПР, подвешенных с противоположной сторон пути

Индуктивный способ возбуждения волноводного провода 1 (рисунок 8) осуществляется также с помощью однопроводной линии 2, соединенной с рельсом через контур ЗК-4 для обеспечения безопасности. На участках с электрической тягой на постоянном токе контур ЗК-4 можно не устанавливать. При возбуждении цветной цепи воздушной линии связи провод возбуждающей линии подвешивают на одинаковом расстоянии от каждого провода цветной цепи. Если линия связи удалена от станционного здания, то приемопередатчик соединяют с АСУ коаксиальным кабелем. На близких расстояниях вместо кабеля можно применять однопроводную воздушную цепь, а АСУ устанавливать в станционном помещении. В схемах высокочастотного возбуждения направляющих проводов вместо АСУ от радиостанции можно использовать контур СК-6, который одновременно выполняет функции защитного заземления.

Перейти на страницу: 1 2

Статья в тему

Оценка конструкторских и технологических параметров системы многослойных металлических межсоединений при разработке БИС
Транзистор - одно из важнейших изобретений ХХ столетия, повлекшее за собой появление полупроводниковых приборов и микросхем. Эти устройства стали основой электронных систем и привели к проникновению электроники во все важнейшие для жизнедеятельности человека отрасли - энергетик ...

Главные разделы


www.globalinformatics.ru © 2026 - Все права защищены!