Global Informatics

- Информатика и вычислительная техника

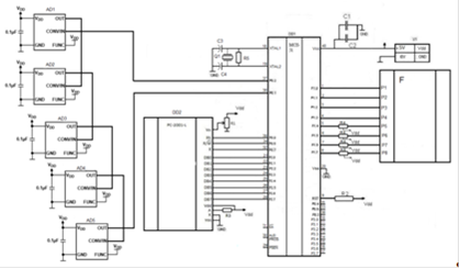
Принципиальная схема устройства

Ниже на рисунке 3.1 представлена принципиальная схема разрабатываемого устройства.

Пояснения к принципиальной схеме:

DD1 - микроконтроллер 51-го семейства,

DD2 - ЖКИ-модуль

AD1, AD5 - первичные преобразователи,

F - клавиатура,

Х1 - разъем,

Q1 - кварцевый резонатор,

С1, С2, С3, С4 - конденсаторы,

R1 - подстроечный резистор,

R2, R3, R4 - резисторы.

Разъем Х1 имеет вывод питания +5В для МК, ЖКИ модуля и для датчиков.

В схеме СЦКТ используется микроконтроллер 51-го семейства типа AT89C51RB2, ЖКИ модуль типа PC-2001L [3], матричная клавиатуры размером 4х4 фирмы PARALLAX [6], датчики температуры типа TMP06. Подробнее выбор всей элементной базы представлен в разделе 3.1.

Как показано на рисунке 3.1, с вывода Р0.2 МК подается "старт импульс", который поступает на вход последовательно соединенную группу датчиков температуры AD1-AD5. На вход Р0.1 МК поступает последовательность прямоугольных импульсов, которая содержит информацию о температуры на каждом из датчиков. Клавиатура F марки Parallax позволяет вводить верхние и нижние уставки, послать запрос для вывода информации на дисплей.

Рис.3.1 Схема электрическая принципиальная СЦКТ

Для формирования опорной частоты МК в схеме используется внешний кварцевый резонатор. Частота кварца составляет 6 МГц. Согласно ТО МК, кварцевый резонатор подключается к выводам XTAL1 и XTAL2 МК.

Питание организовано при помощи разъема. Напряжение питания составляет 5В. Тракт питания обеспечивает напряжением все активные узлы схемы: МК, датчики, дисплей. Питание МК осуществляется при помощи вывода Vcc. Питание каждого из датчиков производится при помощи вывода Vdd датчиков.

Подключение дисплея:

К выводу Vo дисплея подключен подстроечный резистор R1 для организации контрастности символов модуля. К выводу А через резистор R3 подведено напряжение питания +5В для организации подсветки ЖКИ. К выводу Vdd ЖКИ подведено напряжение питания +5В для питания модуля.

Из рисунка 3.1 видно, что конденсаторы С1 и С2 шунтируют цепь питания. Данные конденсаторы позволяют исключить всплески напряжения тракте питания между разъемом и МК. Было решено использовать конденсаторы ёмкостями 4.7мкФ и 0.1мкФ.

Было решено использовать следующие модели конденсаторов:

С1: танталовый конденсатор К53-18, ёмкостью 4.7мкФ,

С2: керамический конденсатор К10-17Б, ёмкостью 0.1мкФ.

Конденсаторы С3 и С4 применяются ТО МК при подключении кварцевого резонатора к МК в качестве внешнего генератора системной частоты.

Разработчики рекомендуют использовать конденсаторы С3 и С4 с емкостью 22пФ.

Было решено использовать следующие модели конденсаторов:

С3,4: танталовый конденсатор КM5Б-M47, ёмкостью 22пФ

Статья в тему

Широкополосный усилитель переменных сигналов
нелинейный   Значительные изменения во многих областях науки и техники обусловлены развитием электроники. На сегодняшний день невозможно найти какую-либо отрасль промышленности, в которой не использовались бы электронные приборы или электронные устройства измерительной техники, автоматики, а ...

Главные разделы


www.globalinformatics.ru © 2026 - Все права защищены!