Global Informatics

- Информатика и вычислительная техника

Электрический расчет узла

сирена двухтональный схема узел

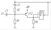
В соответствии с техническим заданием необходимо рассчитать узел одновибратора на элементах DD1.3, VT2,R2,R3,C2.

Схема рассчитываемого узла и позиционные обозначения соответствуют схеме электрической принципиальной и приведена на рисунке 5.

Рисунок 5 - Схема электрическая принципиальная рассчитываемого узла

Порядок расчета:

Руководствуясь рекомендациями [1, стр. 68] для ИМС 155 серии:

Таблица 1 - Основные параметры логического элемента 155 серии

Параметр

Область лог.1

Область лог.0

Rвнешн, кОм

0-1,6

2,5…

Uвх., В

0-1,1

1,4-1,6

Uвых., В

3,8-3,7

0,2-0,1

Для обеспечения переключения логического элемента DD1.3 выбираем Uвх., В, 1,1 для области логической 1. В качестве транзистора ключа к установке принимаем транзистор малой мощности высокочастотный типа КТ361Б с h21Э=20-90 [4]. По данным таблицы 1.1 принимаетсякнас=Uвх.лог1=1,1 В. Величина Rвнешн принимается 1,2 кОм согласно данным таблицы 1.1

Определяется минимальная величина Iбнасmin, мкА, необходимая для устойчивого удержания транзистора VT2 в режиме отсечки до касания сенсора Е1, по формуле (1.1) Предварительно зададимся значением h21Э=30:

(1.1)

Величина резистора R3, Ом определится из выражения (1.2)

Принимается по ГОСТ 150 кОм

Согласно [1] длительность генерируемого импульса должна лежать в пределах 4-6 сек. Принимается длительность 5секунд (т.е постоянная времени τ≈5). Тогда необходимая ёмкость конденсатора С3,мкФ определится из эмпирического выражения (1.3)

Принимается по ГОСТ 50 мкФ.

Статья в тему

Строительство волоконно-оптической линии связи на участке Чулым–Колывань
  Опыт строительства ВОЛС в России и странах СНГ выявил ряд существенных отличий в организации, технологии поведения линейных и монтажных работ по сравнению с работами на традиционных электрических кабелях связи. Эти отличия в значительной степени обусловлены тем, что у ОК в отличие от электри ...

Главные разделы


www.globalinformatics.ru © 2026 - Все права защищены!